Акция!
Акция
ММ110
Манипулятор ММ110
2 090 000 ₽
2 390 000 ₽
↓
Цена
снижена
Подробно
ММ100
Манипулятор ММ100
1 990 000 ₽
2 190 000 ₽
↓
Цена
снижена
Подробно
!
Количество ограничено
!
Акция!
Акция
ММ110
Манипулятор ММ110
2 090 000 ₽
2 390 000 ₽
↓
Цена
снижена
Подробно
!
Количество ограничено
!
ММ100
Манипулятор ММ100
1 990 000 ₽
2 190 000 ₽
↓
Цена
снижена
Подробно

8 800 250 12 44,

8 495 988 92 54

 

Доставка

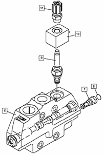
Гидроклапан КМУ
Гидроклапан КМУ

Аппарат, деталь гидравлических систем, который регулирует потоки рабочей жидкости. В гидроклапан входит запорно-регулирующий элемент, и путем изменения его положения изменяется проходное сечение гидроаппарата, благодаря чему меняются и потоки жидкости. Направляющие гидроклапаны (обратный, последовательности, выдержки времени) пропускают или не пропускают потоки жидкости при достижении заданных параметров, а регулирующие (предохранительный, редукционный, переливной) – управляют давлением в потоке жидкости. Бывают прямого действия (работают под воздействием потока жидкости) и непрямого (работают под воздействием регулирующего элемента).

В качестве примера гидроклапана на КМУ можно назвать гидравлический ЕV4615 — шариковый гидроклапан, предназначен для открывания и закрывания напорной гидравлической магистрали гидрораспределителя. Установлен на гидрораспределителе № 6.

Электрокатушка № 10 создает электромагнитное поле вокруг гидроклапана, тем самым заставляет шарик, находящийся в клапане, смещаться и запирать проходное отверстие.

Материал клапана: сталь.

Конструкция:
• Клапан — № 9;
• Электрокатушка — № 10;
• Колпачок — № 11;
• Секция гидрораспределителя — № 6.

Габаритные размеры: длина — 120 мм, диаметр — 20 мм.